Tag: 负荷
-
电力负荷控制系统在需求侧管理中的应用【2】
-
电力负荷控制系统应用论文【1】
-
南方电网统调负荷创历史新高
-
合肥市电力负荷攀升 今夏预计又要错峰用电
-
迎峰度夏期间全网统调负荷最高将达1.815亿千瓦
-
迎峰度夏期间南方电网统调负荷最高将达1.815亿千瓦
-
基于电动汽车与温控负荷的电力系统调频控制策略研究
-
基于多目标粒子群优化的电力系统负荷分配
-
南方电网统调负荷今年首创新高 最高同比增25.48%
-
南方电网统调负荷今年首创新高
-
1亿千瓦!广东成为2018年全国首个电网负荷破亿省份
-
电网负荷节节攀升南网全力迎峰度夏
-
热!热!热! 用电高峰开启 电网负荷节节攀升
-
国网江苏电力研制带负荷更换跌落式熔断器辅助装置
-
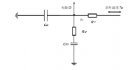
高压负荷控制/电量控制多功能计量设备的设计要求与功能实
TOPS- 月排行/
- 阅读排行/
- 原创
- 月排行/
- 阅读排行/
- 原创
- 2,430
゜ 1云南电力交易系统统一登录 昆明电力交易中心网址 昆明电力交易中心官网 - 807
゜ 2广东电力交易系统网址/广东电力交易中心网站 - 796
゜ 3江苏省电力交易平台网址江苏省电力交易中心网址 - 794
゜ 4国网湖北电力李生权个人简历? - 656
゜ 5安徽省电力交易中心官网 安徽省电力交易中心网站网址 - 496
゜ 6中国南方电网 阳光电子商务平台 - 472
゜ 7新疆电力交易中心网站 - 420
゜ 8广西电力市场交易中心网址 - 417
゜ 9广东电力交易中心网址 广东电力交易中心的官网 广东电力市场交易系统 - 409
゜ 10福建售电公司网上注册操作手册

