Tag: 高精度
TOPS- 月排行/
- 阅读排行/
- 原创
- 月排行/
- 阅读排行/
- 原创
- 2,667゜ 1云南电力交易系统统一登录 昆明电力交易中心网址 昆明电力交易中心官网
- 869゜ 2广东电力交易系统网址/广东电力交易中心网站
- 866゜ 3江苏省电力交易平台网址江苏省电力交易中心网址
- 815゜ 4国网湖北电力李生权个人简历?
- 704゜ 5安徽省电力交易中心官网 安徽省电力交易中心网站网址
- 516゜ 6新疆电力交易中心网站
- 507゜ 7中国南方电网 阳光电子商务平台
- 453゜ 8广东电力交易中心网址 广东电力交易中心的官网 广东电力市场交易系统
- 439゜ 9福建售电公司网上注册操作手册
- 436゜ 10广西电力市场交易中心网址

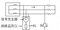
 高精度绝缘监测仪设计"/>
高精度绝缘监测仪设计"/>




