28例电气自动控制电路图,都是干货,快收藏吧!
1 单相照明双路互备自投供电电路2 双路三相电源自投电路3 茶炉水加热自动控制电路4 简单的温度控制器电路5 简易晶闸管温度自动控制电路6 用
1.单相照明双路互备自投供电电路

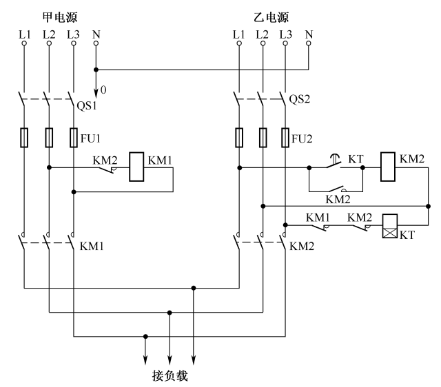
2.双路三相电源自投电路

3.茶炉水加热自动控制电路

4.简单的温度控制器电路

5.简易晶闸管温度自动控制电路

6.用双向晶闸管控制温度电路

7.XCT-101动圈式温度调节仪控温电路

8.电接点压力式温度表控温电路

9.TDA-8601型温度指示调节仪控温电路

10.XMT-DA数字显示调节仪控温电路

11.△/Y变换的炉温控制电路

12.简易温度控制电路

13.双功能三相电阻加热炉控制电路

14.自动气体循环炉控温电路

15.喷水池自动喷水控制电路

16.自动节水电路

17.电力变压器自动风冷电路

18.用电接点压力表做水位控制电路

19.UQK-2型浮球液位变送器接线电路

20.UQK型液位变送器(旧型号GSK)接线电路





21.GDB型双池液位控制器电路

22.供水、排水应用电路

23.简易水位自动控制电路

24.全自动水位控制水箱放水电路

25.改进的水位自动控制电路

26.大型水塔自动控制供水电路

27.高位停低位开的自动控制电路

28.排气扇自动控制电路


责任编辑:售电衡衡
免责声明:本文仅代表作者个人观点,与本站无关。其原创性以及文中陈述文字和内容未经本站证实,对本文以及其中全部或者部分内容、文字的真实性、完整性、及时性本站不作任何保证或承诺,请读者仅作参考,并请自行核实相关内容。
我要收藏
个赞
-
权威发布 | 新能源汽车产业顶层设计落地:鼓励“光储充放”,有序推进氢燃料供给体系建设
2020-11-03新能源,汽车,产业,设计 -
中国自主研制的“人造太阳”重力支撑设备正式启运
2020-09-14核聚变,ITER,核电 -
探索 | 既耗能又可供能的数据中心 打造融合型综合能源系统
2020-06-16综合能源服务,新能源消纳,能源互联网
-
新基建助推 数据中心建设将迎爆发期
2020-06-16数据中心,能源互联网,电力新基建 -
泛在电力物联网建设下看电网企业数据变现之路
2019-11-12泛在电力物联网 -
泛在电力物联网建设典型实践案例
2019-10-15泛在电力物联网案例
-
权威发布 | 新能源汽车产业顶层设计落地:鼓励“光储充放”,有序推进氢燃料供给体系建设
2020-11-03新能源,汽车,产业,设计 -
中国自主研制的“人造太阳”重力支撑设备正式启运
2020-09-14核聚变,ITER,核电 -
能源革命和电改政策红利将长期助力储能行业发展
-
探索 | 既耗能又可供能的数据中心 打造融合型综合能源系统
2020-06-16综合能源服务,新能源消纳,能源互联网 -
5G新基建助力智能电网发展
2020-06-125G,智能电网,配电网 -
从智能电网到智能城市

